Микрофонный интерфейс

Уголок радиоконструктора

Егор Касминин UY2RA

       Как то у нас после областного круглого стола возникли споры-разговоры относительно гарнитуры. Вернее относительно микрофонов. По заключению Алексея UT0RM тональная окраска SSB сигнала в большей степени зависит от применяемого микрофона (гарнитуры), чем от трансивера. Ну, я отчасти соглашусь. На самом деле это верно наполовину. Но, конечно, очень много зависит от микрофона.  И вот тут начинаются проблемы.  На заре развития радиопромышленности у микрофона было только два конца... :-) Потому и до сих пор часто встречается круглый джекер от 3,5 мм до 6,2 мм.  В компьютерных гарнитурах чаще всего так. А вот кнопок на "мыльницах" у трансиверов становится всё больше и больше, поэтому разъём микрофона в большинстве трансиверов - многоконтактный. И тут страшно становится радиолюбителю туда чего-нибудь нестандартное вставлять...

 

 

 

 

 

 

 

 

 

 

 

 

 

 

 

Достаточно точную картинку (чего же внутри мыльницы находится и как его можно включать) может дать эта часто встречающаяся в интернете картинка.      Поэтому если есть несколько разных "мыльниц", то их можно попробовать в работе переподключив(паяв) проводники соответственно рисунку. Если вы любитель экспериментов, то можете воспользоваться идеей универсального девайса - интерфейса для подключения различных микрофонов, в том числе расположенных на головных телефонах - то что мы называем компьютерная гарнитура.  По большому счёту вовсе это и не секрет и не ноу-хау, но пару советов, которые облегчат вам муки творчества (или муки принятия решения делать-не делать :-) дать можно. Первое, что нам для этого понадобится - небольшой ящичек, желательно металлический или спаянный из стеклотекстолита, в котором в одной части выходит (хорошо экранированный провод (вернее несколько проводов) заканчивающийся 8-ми пиновым современным разъёмом микрофона трансивера, а слева один 3,5 мм джек  для стандартного микрофонного разъёма компьютерной гарнитуры, один RJ-45 для  подключения микрофона типа Icom7000 или Yaesu FT897D и, весьма желательно, джекер диаметром 6,2 мм для подключения отдельного PTT (педали).  Если есть объединённая пара 3,5 мм и 2,5 мм для подключения сверхлёгкой пары наушник-микрофон (там же и PTT) - то в корпус следует поставить и его. Таким образом мы получим трехглавого змея, к каждой голове которого можно будет подключить микрофон с разъёмом определённого типа. 

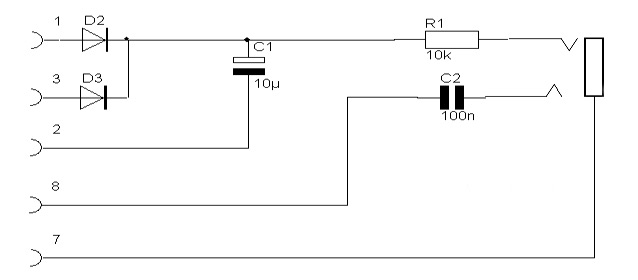
 Дело в том, что электрическая схема будет отличаться если не несколькими номиналами резистора и конденсатора, то несколькими резисторами и конденсаторами.  Для этого применим переключатели, которые с лёгкостью трансформируют параметры интерфейса под нужные до достижения наилучшего звучания.
    Гарнитура, которой пользуется Алексей, Heil Pro Set не помню номер, наверное очень хороша, раз стоит за 250 баксов.  Но когда я узнал, что весит она больше килограмма, ужаснулся. У меня не такая крепкая шея чтобы выдерживать килограмм на голове длительное время. Я сторонник очень лёгких и наушников и микрофона. Вернее наушников, потому что в последнее время стал пользоваться настольной моделью микрофона. Если уж быть чесным до конца, то я им так редко пользуюсь, что когда появляется необходимость сказать пару слов в микрофон, то постоянно и надёжно подключенное устройство не самого хорошего качества  (Icom SM-50) оказывается удобнее  хотя и высококачественного, но  переподключаемого  электретного микрофона. Но я понимаю тех, кто  SSB работает большую часть времени и рекомендую гарнитуру на фото справа. Можете не сомневаться в хорошем качестве звука, а вес - 27 грамм.   Собственно схема прозрачная, это модификация стандартного решения (схема вверху) и, дабы не рисовать её самому, взял за графическую основу схему в одном из номеров QST Magazine, кажется за 2007 год. Но и они не первопроходцы. Это развитие идеи MFJ  Connector Converter. Правда MFJ только перекоммутирует соединения без электрической трансформации. 
А мы еще и формируем частотную характеристику. Или реализуем эквалайзер. :-) Принципиально влияют на параметры устройства  только элементы R3, C4 и R5. Характеристики и номиналы для различных типов гарнитур тоже взял оттуда и привожу здесь, потому что не знаю, какого типа гарнитуру вы найдетё для эксперимента. Если эти элементы распаять прямо на многопозиционных переключателях, то получится абсолютно универсальное устройство.    
Обратите внимание на то, что разъём педали включен паралельно контактам PTT сдвоенного Earpiece/HEADSET разъёма. Приведённые в таблице данные, конечно, приблизительные, так как параметры конкретных устройств имеют значительные различия даже в пределах одного типа.

Микрофон R3 R5 C4
set
Heil HC-5 (-70 дБ)
18 к
3,5 к 0,01 мкф
Динамическая головка (-60 дб) 9,1 к 1,8 к
 
0,02 мкф
Электретный микрофон (-50 дБ) 3,5 к 680 0,05 мкф
Старые электретные микрофоны 1,5 к 300 0,22 мкф

Вы спросите а нельзя ли попроще?
Можно. И, может быть, даже нужно. Помните знаменитое "Краткость - сестра таланта"? Так вот по-моему, самое лаконичное решение нашёл RM9WY. Но не всегда самое простое - самое лучшее.  С устройством, описанным ниже могут быть проблемы при высоком КСВ или при работе от источника питания с недостаточно низким выходным сопротивлением.  Не откажу себе в удовольствии прорекламировать лишний раз красивое схемотехническое решение: если неоткуда взять питание для микрофона, то  взять его с контактов кнопок UP и DOWN. Первоисточник на сайте Виталия Зиновьева RM9WY http://zinvit.com/gar.shtml Тут приведу только схему и фотографию девайса. Причём если на разъёме есть напряжение для подпитки микрофона, схема станет еще проще :-) Комментарии почитайте на сайте автора. А вот так это может выглядеть. Теперь вы сможете попробовать в качестве микрофона абсолютно всё что может преобразовывать акустические колебания в напряжение :-) 

P.S.  Радость творчества. 
Получил письмо от Сергея UT3RS. Рад, что кто-то получает удовольствие от того, что делает что-то своими руками.. Кстати, Сережино дополнение будет здесь совсем не лишним. Цитата со ссылками:
"Прочитал твою статью Универсальный микрофонный интерфейс. Думал, что по этой теме в Инете все уже перечитал...а нет...кое-что интересное для себя узнал!
Можешь добавить к статье, как я себе сделал переходник. Идея не моя - http://mods.radioscanner.ru/yaesu/mod486,  но получилось неплохо, на вид как фирменный."

http://hammania.net/index.php/component/tags/tag/19-web-prijom